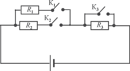
На рисунке изображена схема электрической цепи, состоящей из трёх резисторов, источника постоянного напряжения и трёх ключей К1, К2 и К3. Сопротивления резисторов: R1 = 2R, R2 = 3R, R3 = R. Найдите отношение величины мощности, выделяющейся в цепи при замкнутых всех трёх ключах, к величине мощности, выделяющейся в цепи, если замкнут только ключ К1. Ответ округлите до десятых долей.

Ответ: ___________________________.
Подобные задания можно добавить в готовый типовой вариант и получить свой уникальный КИМ с ответами и критериями.